0760-22278043
PCB设计丨PCB 元件库设计管理规范

一、元件库管理规范 (引用标准依据:IPC-782A,经典内容,仅供参考)

(一)、电路设计师在进行新的 PCB 排版时须到元件库管理员处拷贝新的元件库,若需要用到元件库以外的元件,可自己建库后到管理员处备案,也可提供元件尺寸资料,由管理员建库;

()、若电路设计师在 PCB 排版、生产中遇到与元件库相关的问题,应及时向管理员反映,修改并备案;

(三)、设计师在修改 PCB 时,必须重新拷贝元件库,并查阅元件库修改备案表和元件库更新备案表,以]确定是否需要更新元件库;

附表一、元件库更新备案表

附表二、元件库修改备案表

 

二、元件库目录

(一)、LIB-V3.0 分为原理图元件库和印制版元件库

原理图元件库:

原理图元件库分为 SMC(贴片元件库)THC(插件元件库)

图片

(二)、印制版元件库分为 SMC(贴片元件库)THC(插件元件库)

图片

三、 原理图元件命名说明

(一)贴片元件库

图片

图片

图片

注: ⑴ MARK 存放于 SM-OTHER

⑵ 特殊元件另行命名。

(二)、插件元件库

图片

图片

图片

四、印制板元件 FOOUPRINT 命名说明

(一)、贴片元件库

图片

图片

图片

图片

图片

图片

注:

⑴特殊元件另行命名;

2) 贴片元件的角度以图示所示的方向为 0 度;

3 )贴片元件除了特殊元件以外均以元件焊盘的几何中心为坐标原点;

 

(二)、插件元器件

图片

图片

图片

注: ⑴ TH-OTHER 为前几类之外的元件,如晶振、声表等,其中的元件均以元件型号命名,并与原理图一一对应;

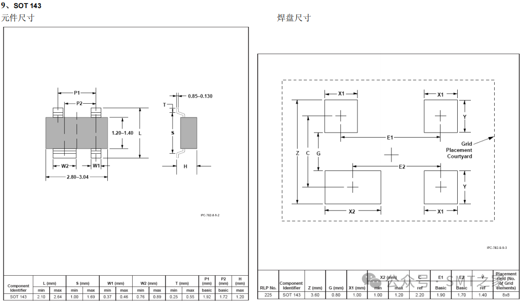
五、元件尺寸说明

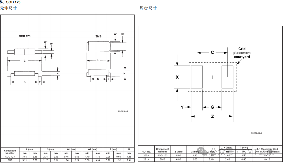
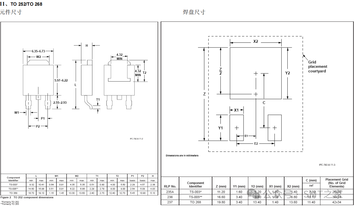
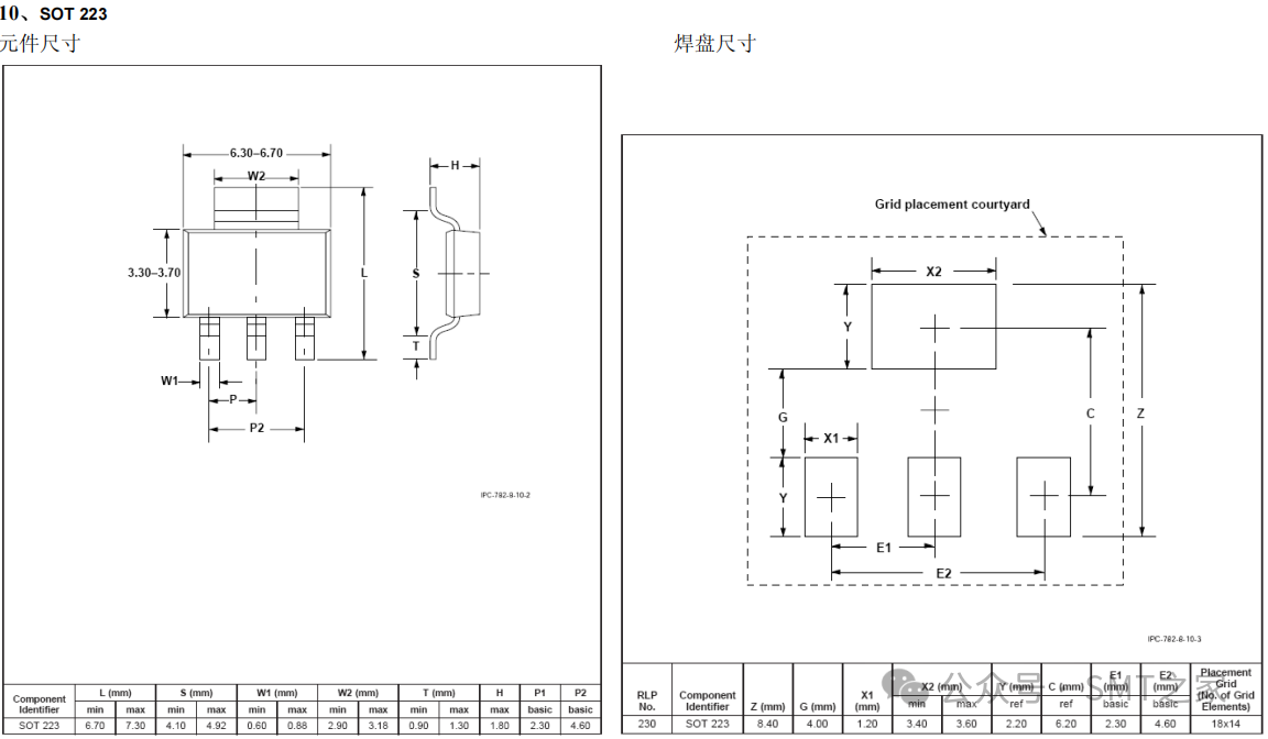
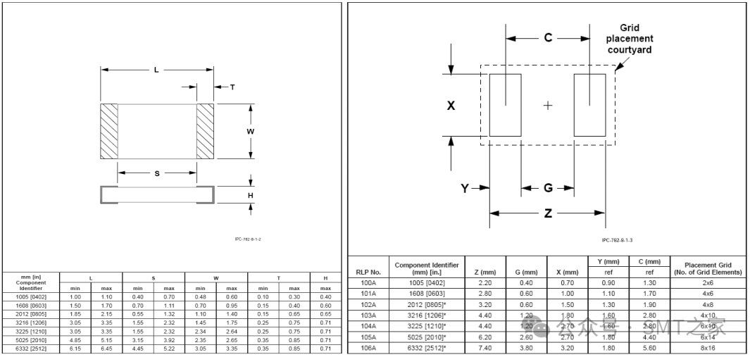
(一)、贴片元件尺寸说明:贴片元件焊盘尺寸定义按 IPC 标准或元件规格书

1、Chip Resistors

元件尺寸 焊盘尺寸

图片

2Chip Capacitors

图片

图片

图片

图片

图片

图片

图片

图片

图片

图片

图片

图片

图片

图片

图片

图片

图片

图片

图片

图片

图片

图片

图片

图片

图片

图片

图片

图片

图片

图片

图片

图片

图片

图片

图片

图片

(二)、插件元件焊盘尺寸说明:插件元件焊盘尺寸借用电视公司 CAD 插件元件焊盘尺寸

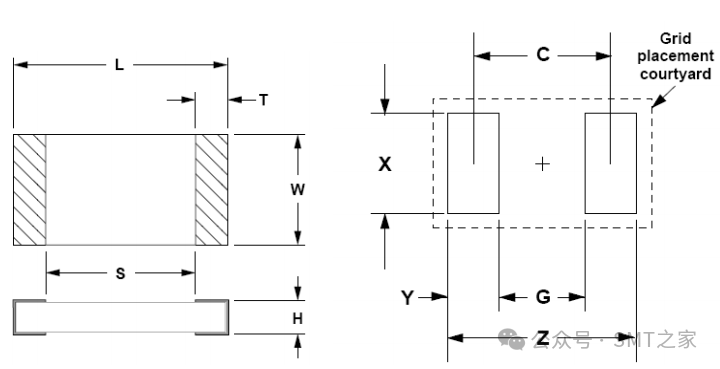
六、贴片元件焊盘计算公式

Chip Resistors为例

图片

图片

其中:元件焊盘尺寸 Z=ZmaxG=GminX=Xmax

图片

Lmin:元件最短长度(元件规格书应标注)

Smin:元件规格书应标注

Wmin:元件规格书应标注

JTmin:规格书若未标注按 0.4-0.6mm 估算

JHmin:规格书若未标注按 0-0.2mm 估算

Jgmin:规格书若未标注按-0.02-0.02mm 估算

 

F:印制板加工精度,若无说明按 1.0mm 估算

P:元件摆放精度,若无说明按 1.0mm 估算

C:元件精度,元件规格书应标注

注:若元件规格书标注焊盘尺寸,则按规格书标注的值建库,规格书若未标注元件尺寸,按上述公式计算其焊盘尺寸

PCB 元件库更新备案表(附表1)

图片

PCB 元件库修改备案表(附表2)

图片